Found In These Collections
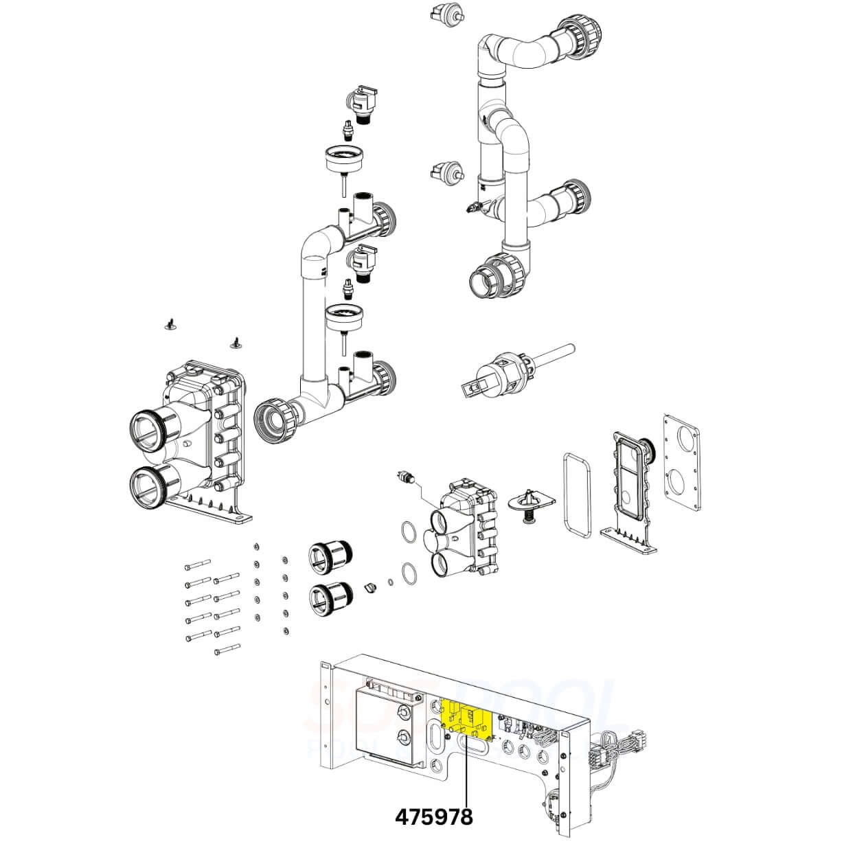
The OEM Pentair Heater Fan Control Board, part number 475978, is a crucial replacement component designed for the ETI 400 series pool heaters. This board is responsible for managing the fan operations, ensuring the heater functions efficiently by monitoring the air flow through the system. It includes air flow switches that sense pressure differentials and complete the circuit to the control board when sufficient air flow is detected. This fan control board is essential for maintaining the proper operation and safety of your Pentair ETI 400 heater, contributing to its high efficiency and reliability. Installation is straightforward, and it integrates seamlessly with existing systems, providing precise temperature control and intelligent fan management.
Highlights
-
Essential Component: The Pentair Heater Fan Control Board, part number 475978, is a crucial replacement component for the ETI 400 series pool heaters, ensuring efficient fan operations and overall heater functionality.
-
Air Flow Monitoring: This control board includes air flow switches that sense pressure differentials, completing the circuit to the control board when sufficient air flow is detected, thereby ensuring safe and effective operation.
-
Maintains Efficiency and Safety: By accurately managing the fan operations and monitoring air flow, this control board helps maintain the high efficiency and safety of your Pentair ETI 400 heater.
-
Seamless Integration: Designed for straightforward installation, the fan control board integrates seamlessly with existing systems, providing precise temperature control and intelligent fan management.
-
High Reliability: As an essential part of your pool heater system, this fan control board contributes to the overall reliability and longevity of your Pentair ETI 400 heater, ensuring consistent performance.
Includes
- (1) Control Board
- (4) Clips
Compatibility
- Pentair ETI 400 Heaters
Additional Info
The OEM Pentair Heater Fan Control Board 475978 is built for ETI 400 heaters. This section answers questions about installation, performance, and online ordering with free shipping included.
Installing the Pentair 475978 Board
This control board is designed to manage airflow and fan safety. Installation is simple, and it integrates seamlessly with ETI 400 heaters for reliable performance.
How do I install the Pentair 475978 control board in my ETI 400?
Does the 475978 control board ship free when ordered online?
Is the board compatible with all Pentair ETI 400 heaters?
What steps ensure safe wiring during installation?
Ensuring Reliable Heater Operation
A functioning control board prevents ignition issues and ensures safe airflow management. Replacing with the OEM 475978 helps maintain long-term heater performance.
Why is my ETI 400 heater shutting down with airflow faults?
Can a defective board cause fan or blower failures?
Does replacing with the OEM 475978 improve reliability?
Can I buy an extra 475978 board online as a backup?
Ordering and Free Shipping Options
SOSPool.com provides the Pentair 475978 board with fast delivery and free shipping. Orders include the OEM part with clips, ready for installation.
Can I buy the Pentair 475978 fan control board online today?
Is the 475978 always in stock for quick delivery?
Does SOSPool.com ship the control board with mounting clips?
How quickly will the 475978 ship after placing an order?
Diagram

Questions & Answers
Have a Question?
Be the first to ask a question about this.